본문 바로가기 주메뉴 바로가기

제품일람

제품일람

소형 · 고효율 열교환기  히토루Ⓡ  (HEAT EXCHANGER - Heatle)

소형 · 고효율 열교환기 히토루Ⓡ (HEAT EXCHANGER - Heatle)

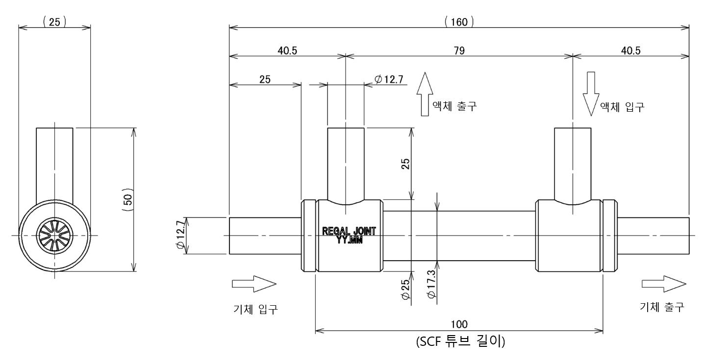
・ 길이 160mm, 전열관 길이 100mm 컴팩트한 손바닥 사이즈의 전열관을 사용합니다.
・ 표준 사양모델을 제안 - 주문시 사양서가 불필요합니다.
・ 고효율 다엽형 이중관식 전열관 [SCF 튜브]를 적용한 이중관식 열 교환기
・ "전열관 내부에 팬을 삽입"하는 새로운 발상으로 유체간 섞이지 않고 냉각 가능
・ 압력 손실이 적고, 내구성이 우수합니다.
・ 기체X액체일 때 성능을 발휘합니다. 고온 가스의 초급속 냉각에 최적화되어 있습니다. 카탈로그

상세정보

소형 · 고효율 열교환기  히토루Ⓡ  (HEAT EXCHANGER - Heatle)


▶【20초면 납득】에너지 절약! 엔지니어라면 꼭 봐야하는 소형 열 교환기「히토루Ⓡ」








특주대응 → 표준품 라인업으로 변경!


특장점
・ 길이 160mm, 전열관 길이 100mm 컴팩트한 손바닥 사이즈의 전열관을 사용합니다.
・ 표준 사양모델을 제안 - 주문시 사양서가 불필요합니다.
・ 고효율 다엽형 이중관식 전열관 [SCF 튜브]를 적용한 이중관식 열 교환기
・ "전열관 내부에 팬을 삽입"하는 새로운 발상으로 유체간 섞이지 않고 냉각 가능
・ 압력 손실이 적고, 내구성이 우수합니다.
・ 기체X액체일 때 성능을 발휘합니다. 고온 가스의 초급속 냉각에 최적화되어 있습니다.



『SCF 튜브』방식으로 고온 가스를 한 번에 냉각!

다엽형(멀티 리프) 이중관식 전열과 「SCF 튜브」와 기존 방식의 열 교환기 (길이 : 약 230mm)에
300℃의 고온 가스(20NL/min), 와 15℃의 물 (40mL/min)을 흘렸을 때의 열 교환 온도 비교


             


 ※ 다엽관의 잠재력, 비교 결과는 자사 평가시험에 의거합니다.

 ※ 재질이나 환경조건에 의해 상이합니다. 성능을 보증하는 것은 아닙니다.  




히토루Ⓡ 사양표

표준품이므로, 하기 이외의 사양을 원하시는 경우, 특주대응 이중관식 교환기(수주생산품) 또는 다관식 열 교환기를 참조하여 주십시오.






히토루Ⓡ 치수 도면




히토루Ⓡ  성능데이터 : 공기 배출구 온도 및 공기 흐름 그래프

ⓥ 뜨거운 가스를 냉각하는데 유용합니다.


  


공기 입구 온도 300℃(물 입구온도 20℃)에서 공기 출구 온도 그래프


공기 입구 온도 200℃(물 입구온도 20℃)에서 공기 출구 온도 그래프





히토루Ⓡ  성능데이터 : 공기/물 압력손실 그래프

유로가 심플하여 압력 손실이 적고 내구성이 우수합니다.


공기 압력손실


물 압력손실






>컴팩트하고 효율 높은 SCF 튜브에 대해 ↓<





기존 열교환기의 과제 - 고효율화, 소형화, 고내구성


○열교환기의 성능 = 열전달 면적을 어떻게하면 증대시킬 수 있을까?  (고효율의 열전달)
 …효율적인 열교환을 위해서는 열전달면적을 크게 할 필요가 있음

       → 대형화를 피할 수 없음.  사이즈를 키울 수 없다면 열전달효율을 올려야 함.  

○열전달율이나 열전달면적의 계산에 시간과 노력이 소요됨
○좀 더 소형으로 설계할 수는 없을까?
○열교환기의 외주측에 고온의 유체가 흐르기때문에 열평창의 신축으로 금속의 뒤틀림이 발생

   (리크의 원인이 됨)



리갈조인트제 「SCF튜브 채용 열교환기」의 장점
열교환기 원통식과 SCF튜브식의 비교

원형 튜브 열교환기의
일반적인 과제

SCF 튜브
소형 고효율 열교환기의 특징

열 전달 영역을 늘리는 방법?

난류 유동 효과를 유지하면서 약 1.8 배의 열 전달 면적
(동일한 외경의 원형 튜브와 비교하여)을 얻을 수
있습니다.(매우 효율적인 열 전달)



열 전달 면적을 늘리려면 크기가 커집니다. 유로 단면적을 줄일 수 있기 때문에 내부 유체의 속도를
향상시키고 크기를 줄일 수 있습니다.
(원형 튜브와 비교하여) 크기는 약 1/2입니다.


고온 유체가 외부 주변부로 흐르기
때문에 열팽창으로 인해 금속의 왜곡이 발생합니다.
고온 유체는 외주측으로 흐를 수 있고 왜곡이 발생
하지 않으며(내열응력이 높은 구조)
SC 튜브를 핀으로 사용함으로써, 튜브 내부에 고온 가스
유로가 형성될 수 있다.




응용 산업군

●반도체업계

・종형확산로
・CVD장치

●식료품・음료수업계
・편의점 쇼케이스 내의 열교환

●화학・기타산업
・가정용연료전지시스템의 고온가스 냉각
・프로세스 유체의 온도제어
・냉동기
・극저온냉각
・공장설비의 배열처리(예: 60℃→20℃)
・디젤엔진 발전기
・보일러, GHP


  

고온가스의 냉각, 공장배열회수, 폐열이용에 이용


공장설비로부터 발생하는 배열을 그냥 바깥으로 방출하지않고, 열교환기로 조건온도까지 식힌 다음 방출합니다.
 

열교환기 사양에 적합한 설계

・고객의 사양에 대응하여 그에 적합한 설계, 제작을 하고 있습니다.

・선택가능한 전열성능
 4엽~7엽의 형상을 선태하는 것으로 내측유로단면적을 정할 수 있습니다.  2배이상의 전열성능향상도 기대할 수 있습니다.
 종래에는 난류효과에의한 성능향상을 위해 전열면적을 희생시킬 수 밖에 없었습니다.
・용도에 알맞게 스트레이트, 스파이럴 등 다양한 종류의 형상을 선택가능
・이중관식, 다관식 등의 다양한 셀 및 튜브식 열교환기의 설계가 가능
 

 

고효율 이중관식 열교환기의 사양
유량범위(참고치)액체100mL/min~30L/min
기체 10NL/min~5000NL/min
적용유체 액체 물, 공업용수 등
기체 공기, 질소, 수소 등
열교환가능한 조합 대응가능 가스 - 액체
상담요망 액체 - 액체(전열면적의 데이터가 있으면 도움이됩니다.)
대응불가 가스 - 가스
재질표준사양은 스테인레스제
(희망에따라 다른 소재의 대응도 가능)

 

●고객의 사양에 대응하는 것이 가능합니다.  언제든지 문의해 주시기 바랍니다.
 (사양서를 다운로드하여 사전에 기입한 후에 문의해주시기 바랍니다.)

 
    사양서 다운로드

 

도입 FLOW(예)

사양에따른 변동도 있습니다만, 기본적인 흐름은 아래와 같습니다.